联系方式
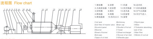
简述:燃料通过燃烧器燃烧,产生高温燃气。并借助具有强化换热措施的热风炉
类别:热源设备系列
原理:
燃料通过燃烧器燃烧,产生高温燃气。并借助具有强化换热措施的热风炉将高温燃气的热量传导给被加热的空气,高温燃气经热量散发后温度降低至250℃后排到大气中。需加热的空气通过选配的鼓风机强送入热风炉,吸热后温度升至额定值从热风出口处送出,当热风温度达到额定温度上限时,燃烧器会自动停止燃烧或自动转为小火焰燃烧,当热风温度降低到额定下限温度时,燃烧器又会重新点燃运行或转为大火燃烧,升温的速度可以调节进风阀的开度来实现。
特点:
广泛应用于制药、化工、食品、纺织印染、粮食加工、木材加工、汽车等工业领域各种产品的干燥、固化、热定型等作业。

技术参数:
型号/参数 | 输出热量(KJ/h) | 输出风量(m3/h) | 输出温度(℃) | 耗油量(kg/h) | 燃烧器型号 |
RLY-2.5 | 1.045×105 | 1500-560 | 60-200 | 4-5 | M4 |
RLY-4 | 1.672×105 | 3500-930 | 60-200 | 6-7 | M8 |
RLY-8 | 3.344×105 | 5600-1480 | 60-200 | 11.5-13.5 | M12 |
RLY-15 | 6.270×105 | 12000-2160 | 60-250 | 21.5-25 | M20 |
RLY-30 | 12.54×105 | 25000-4330 | 60-250 | 43-50 | MP3B |
RLY-40 | 16.72×105 | 28000-5600 | 60-250 | 57-67 | MP4B |
RLY-60 | 25.08×105 | 45000-8660 | 60-250 | 86-100 | MP80AB |
RLYL-80 | 33.44×105 | 83000-12500 | 60-350 | 114-135 | MP130AB |
RLY-160 | 66.88×105 | 134400-23000 | 60-350 | 228-270 | MP200AB |
RLY-200 | 83.60×105 | 170000-28000 | 60-350 | 286-334 | MP300AB |
注:1、输出温度指输入温度在20℃时的温升值。
2、油的燃烧值按4800KJ/kg计算。
碳酸钙行业用高效混合制粒机发展现状与特点
25.01.18什么是一步制粒机
24.08.27一步制粒机有哪些特点
24.08.27一步制粒机应用领域
24.08.27一步制粒机的优点
24.08.27沸腾制粒机使用时的注意事项
24.08.27沸腾制粒机都有哪些特点呢?
24.08.27为什么要用到沸腾制粒机?
24.08.27什么是沸腾制粒机
24.08.27什么是湿法制粒机?
24.08.27